Zum Hauptinhalt springen Zur Suche springen Zur Hauptnavigation springen
Ihr Lieferant für Luftfahrt-Zubehör in Europa
+49 (0) 621 7001890    +49 (0) 621 7001890     Mo-Fr: 08:30 - 17:00 Uhr Sa 09:00 - 14:00 Uhr

Querneigungsmesser, Einbau-Ø 57 mm

Produktinformationen "Querneigungsmesser, Einbau-Ø 57 mm"

Überall dort, wo kein Wendezeiger eingebaut ist, empfiehlt es sich, einen Querneigungsmesser (Libelle) zu verwenden. Besonders in Schulflugzeugen sollte dieses einfache Gerät nicht fehlen.

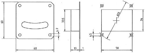
Einbaumaße siehe Maßskizze.

0 von 0 Bewertungen

Durchschnittliche Bewertung von 0 von 5 Sternen

Bewerten Sie dieses Produkt!

Teilen Sie Ihre Erfahrungen mit anderen Kunden.